PRO050 Manual/Footprint Schematics
From Manuals
Contents |
Screw Terminal Schematic
The PRO050 board has a footprint for a 12 position screw terminal (T1). It has a pitch of 0.15 inches (3.81mm). Connections for prototyping can be made on PT1. The schematic for the screw terminals is below in Figure 7.
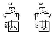
Pushbuttons Schematic
The PRO050 board has footprints for two normally open pushbuttons (S1 & S2). Connections for prototyping S1 can be made on PS1. Connections for prototyping S2 can be made on PS2. The schematic for the pushbuttons is below in Figure 8.
RJ45 Schematic
The PRO050 board has a footprint for a RJ45 jack (J1). Connections for prototyping with the RJ45 can be made on P1. The schematic for the RJ45 and top view connector diagram is below in Figure 9.
2 x 3 Jumper Schematic
The PRO050 board has a footprint for a 2 x 3 jumper (JP1). Connections for prototyping the 2 x 3 jumper can be made on P1A and P1B. The schematic for the 2 x 3 jumper is below in Figure 9.




